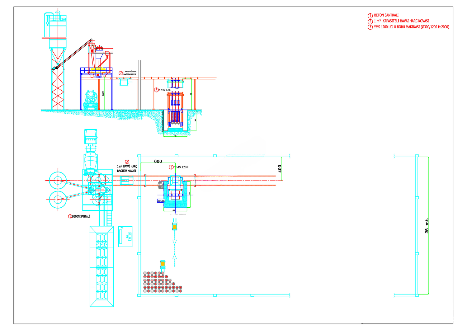
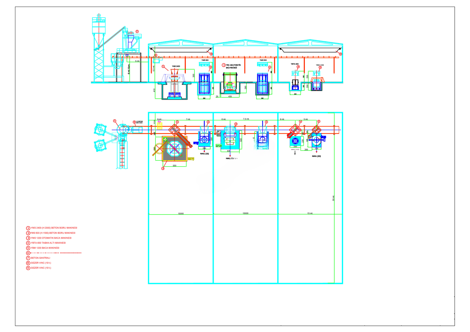
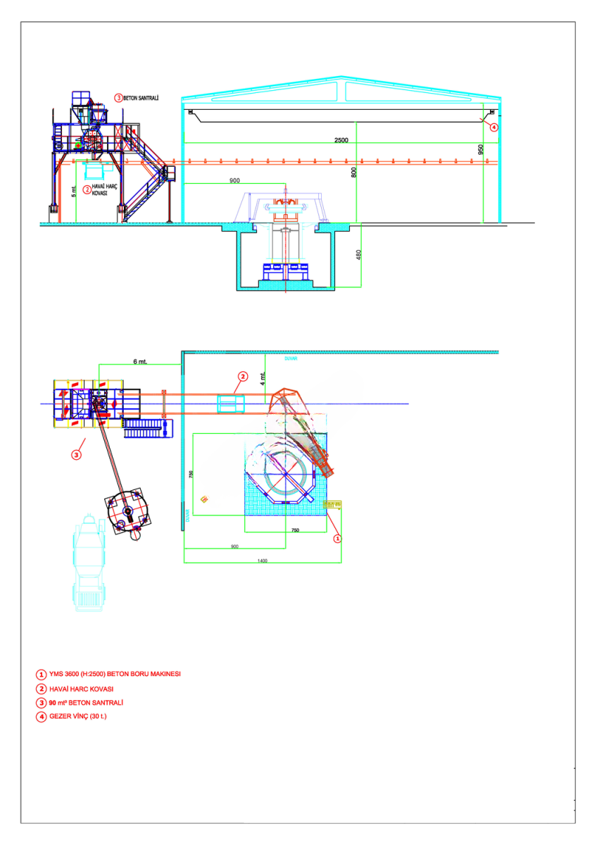
Beton Boru Baca YBM - 1200
YBM-1200
YBM-1200, hidrolik baskı ve mekanik vibrasyon prensipleriyle çalışan, baca elemanları üretiminde kullanılan endüstriyel bir makinedir. Farklı ölçülerde yuvarlak, konik ve parsel baca elemanlarını yüksek verimlilikle üretmek için tasarlanmıştır.
Üretilebilen Elemanlar
-
Yuvarlak baca elemanları: 1000 mm ve 1200 mm çap
-
Konik baca elemanları: 620–1000 mm ve 620–1200 mm
-
Parsel baca elemanları: 800×800 mm ve 1000×1000 mm
-
Ek parçalar: 620’lik konik üst adaptör ve kapak elemanları
Çalışma Prensibi
-
Harç, döner bunker aracılığıyla makineye beslenir.
-
Üretilen bacalar, makineden vinç yardımıyla alınır.
-
Vibrasyon, içi honlanmış çelik boruda, gres banyosunda dönen rulmanlarla yataklanmış eksantrik kütlelerin yüksek devirde dönmesiyle sağlanır.
Teknik Özellikler
| Özellik | Değer |
|---|---|
| Kumanda Tipi | Manuel |
| Vibratör Motoru | 7,5 kW – 2800 d/dk |
| Hidrolik Tank Kapasitesi | 240 lt |
| Beton Verici Bunker Motor Gücü | 4 kW |
| Beton Verici Bunker Kapasitesi | 1600 lt |
| Toplam Elektrik Motor Gücü | 20 kW |
Avantajlar
-
Farklı ölçülerde baca elemanlarını tek makinede üretme imkânı
-
Dayanıklı ve uzun ömürlü mekanik yapı
-
Yüksek vibrasyon gücü sayesinde kaliteli yüzey ve mukavemet
-
Manuel kontrol ile basit kullanım ve bakım kolaylığı
Beton Boru Baca YBM - 1200 Fotoğraf Galerisi
-
çoklu beton boru makinesi
-
otomatik beton boru üretim hattı
-
beton boru imalat makinesi
-
endüstriyel beton boru makineleri
-
yüksek kapasiteli beton boru üretim sistemi
-
Türkiye beton boru makinesi üreticisi
-
beton boru makinesi fiyatları Türkiye
-
concrete pipe making machine Turkey
-
multiple concrete pipe machine manufacturer
-
cement pipe production line Turke
-
pnömatik beton boru üretim sistemi
-
CE belgeli beton boru makinesi
-
otomasyonlu beton boru hattı
-
endüstri 4.0 beton boru üretimi
-
altyapı için beton boru makineleri
-
kanalizasyon borusu üretim makinesi
-
yağmur suyu borusu imalat hattı
-
inşaat sektörü beton boru çözümleri
-
belediye projeleri beton boru üretimi
